Wettiner im Mittelalter
Abbildung 11.1 und 11.2

Abkürzungen: ~600 um 600, a. d. an der, Abd. Abdankung, Abh. Abhängigkeit, -b˘g. -burg, Bf. Bischof, -bg. -berg, Bgf. Burggraf, Bm. Bistum, d. Ä. d. Ältere, d. Ju. d. Junge, d. Jü. d. Jüngere, dt. deutsch, Ebf. Erzbischof, Ebm. Erzbistum, Ehz. Erzherzog, Fsm. Fürstentum, Fst. Fürst, Gf. Graf, Gfn. Gräfin, Gft. Grafschaft, Ghz. Großherzog, Ghzn. Großherzogin, Hz. Herzog, hzgl. herzöglich, Hzm. Herzogtum, Kf. Kurfürst, Kfm. Kurfürstentum, Kg. König, kgl. königlich, Kgn. Königin, Kgr. Königreich, Ks. Kaiser, Kurw. Kurwürde, Lgf. Landgraf, Mgf. Markgraf, Mgft. Markgrafschaft, n. 992 nach 992, Nied. Nieder-, Ob. Ober-, P.U./PU Personalunion, Pfg. Pfalzgraf, Pr./Prz. Prinz, Prät. Prätendent, Przr. Prinzregent, Reg. Regent(in), Sign. Signore, Sn. Seigneur, Statth./Sth. Statthalter, Thronf. Thronfolger, Unt. Unter-, v. 1045 vor 1045, v. Tirol von Tirol (v. wird dabei oft weggelassen, Bsp.: Gf. Hoya Gf. v. Hoya)
Beschreibung
Die Wettiner, Rivalen der Askanier und Hohenzollern
Als die große Territorialdynastie nördlich von Thüringer Wald und Erzgebirge etablierten sich die Wettiner im späten Mittelalter. An ihre mächtigen Kollegen im Westen und Norden, die Ludowinger und Askanier, hatten sie im hohen Mittelalter nicht heranreichen können. Dann verblaßte deren Macht, und die Wettiner übernahmen von den Ludowingern nach 1247 einen Teil der Landgft. Thüringen, wurden dafür aber zu Kontrahenten der Brabanter im anderen Teil, Hessen; und von den askanischen Hauptländern übernahmen sie 1423 das Kfm. Sachsen, wurden dafür aber zu Kontrahenten der Hohenzollern, die seit 1415 das Kfm. Brandenburg regierten.
So hatten sich die drei großen Familien herausgebildet, welche bis 1918 die östliche Mitte beherrschten. Dabei blieb Brandenburg einheitlich, Hessen zerfiel nach 1567 in Kassel und Darmstadt, Thüringen aber nach 1572 in zahllose Herrschaften. Demgegenüber blühte der ursprüngliche Schwerpunkt der Wettiner, die Mgft. Meißen, erneut auf: seit 1547 als Kfm. Sachsen.
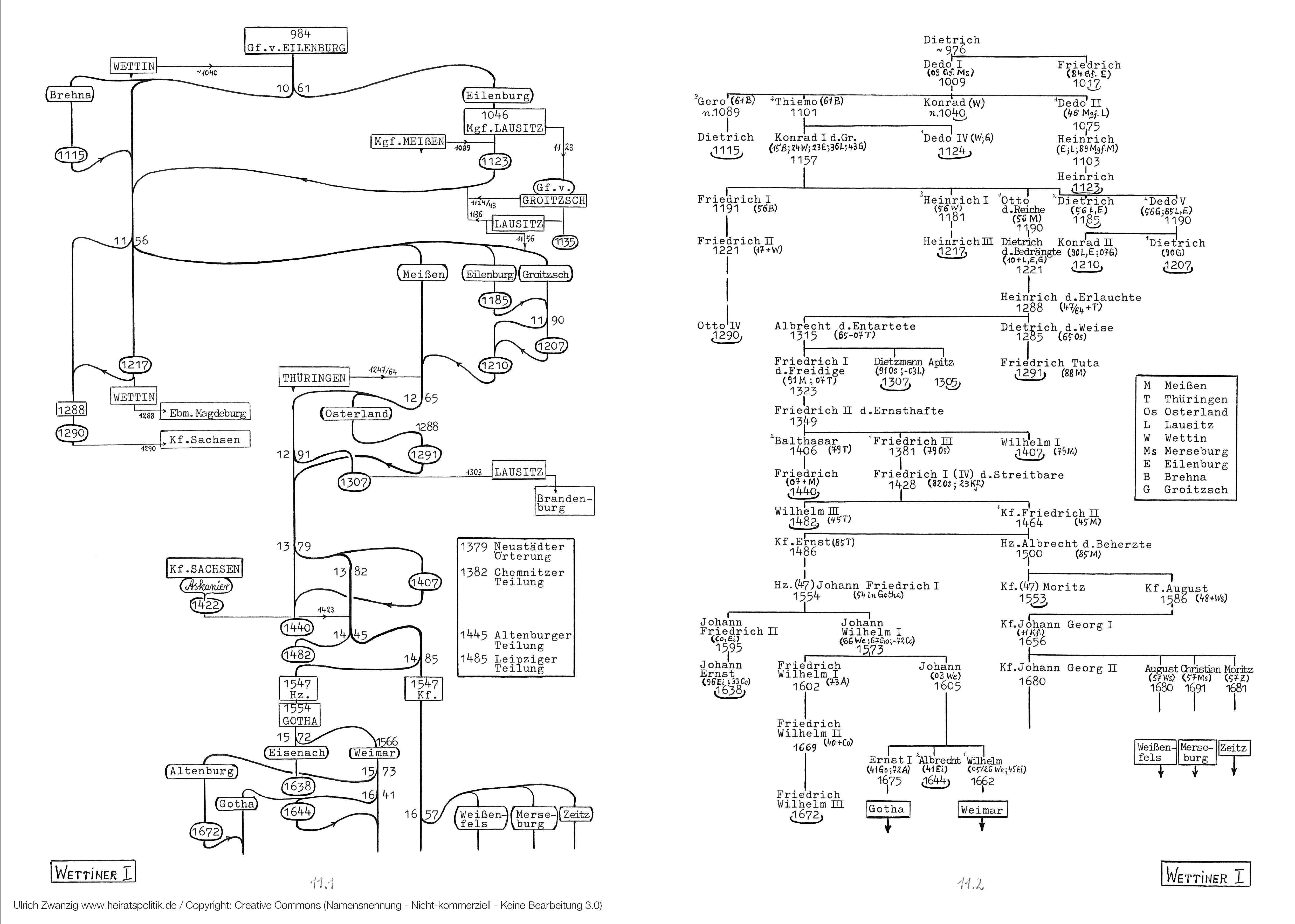
1) Teilung 1061
Zunächst hatte sich der Stammbesitz des Hauses Wettin auf die Gft. Eilenburg beschränkt. Es erlebte seinen ersten Durchbruch zum Erfolg, als Gf. Dedo II 1046 mit der Lausitz, sein Sohn Heinrich 1089 mit der Mark Meißen belehnt wurde. Aber nach dessen Sohn Heinrich brach die Linie Eilenburg 1123 ab, und die Lausitz ging an die Grafen v. Groitzsch, nach deren Ende sie freilich 1136 wieder an die Wettiner zurückkehrte.
Deren Kontinuität war nämlich durch Dedos Brüder Thiemo und Gero gesichert worden, indem sie 1061 den Zweig Brehna eröffneten, der sich auch die Burg und den Namen Wettin (v. 1100) zulegte.
2) Teilung 1156
Thiemos Sohn Konrad d. Gr., der seit 1123 alle Gebiete in seiner Hand vereinigte, verteilte sie 1156 unter die Söhne: das Stammgut Eilenburg fiel zusammen mit der Lausitz an Dietrich, beides nach 1185 an Dedo V, der Groitzsch bekommen hatte; Otto wurde mit Meißen bedacht, Heinrich I mit Wettin, Friedrich I mit Brehna. Dessen Sohn Friedrich II beerbte Heinrichs Enkel Heinrich III 1217; und als sein Urenkel Otto IV 1290 starb, wobei Wettin ans Ebm. Magdeburg, Brehna ans Kfm. Sachsen gelangte, blieb die Meißener Linie allein übrig: Sie war 1156 von Konrads ältestem Sohn Otto d. Reichen eröffnet worden und hatte 1210 Eilenburg samt Groitzsch übernommen.
Mittlerweile aber war dem Haus Wettin der zweite Durchbruch gelungen: Ottos Enkel Heinrich d. Erlauchte hatte 1247 die Lgft. Thüringen erworben - nach dem Erbfolgekrieg 1264 freilich ohne Hessen. Hieraus folgten zwar entsprechende Teilungen, kamen aber nie über die zweite Generation hinaus. Die Abzweigung Osterland starb mit Heinrichs Enkel Friedrich Tuta 1291 aus, und nur für Thüringen, das Heinrich 1265 seinem Sohn Albrecht dem Entarteten anvertraut hatte, bildete sich eine dauerhafte Linie aus.
Allerdings lief sie erneut über Osterland: Nach Albrechts Enkelsohn Friedrich II († 1349) schien sich durch die Neustädter Örterung 1379 die Absonderung Thüringens und Osterlands von Meißen zu erneuern; doch nach Wilhelms I Tod 1407 kam Meißen wieder an Thüringen, wo indes auch nur Balthasar und sein Sohn Friedrich ihre Linie hielten, so daß 1440 erneut das gesamte Gebiet vereinigt war, und zwar in der Hand Friedrichs III, der seit der Teilung v. Chemnitz 1382 die Linie Osterland führte.
Seinem Sohn Friedrich IV aber war inzwischen der dritte Durchbruch des Hauses Wettin gelungen: die Erwerbung des Kfm. Sachsen-Wittenberg von den Askaniern 1423.