Mecklenburger
Abbildung 7.1 und 7.2

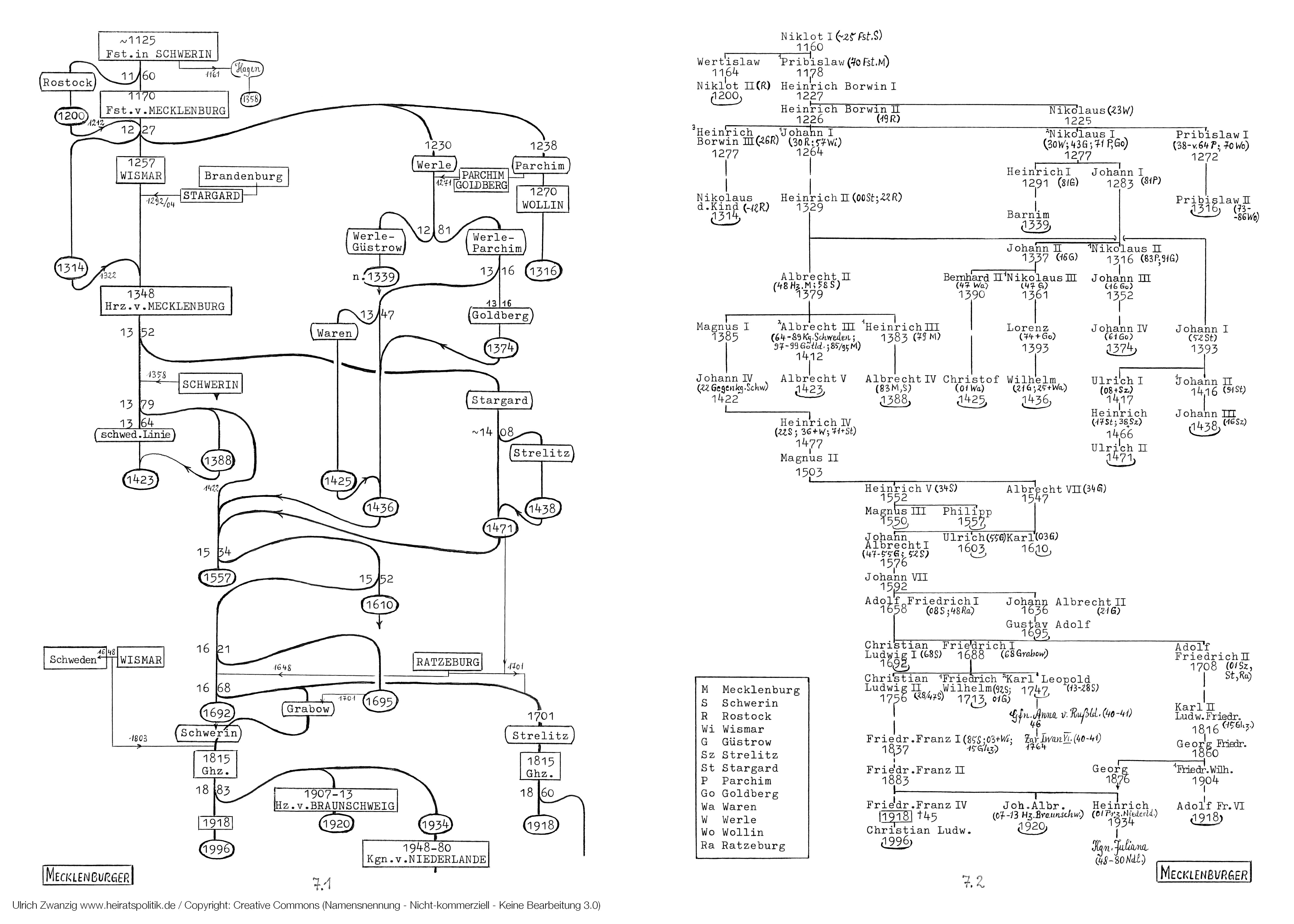
Abkürzungen: ~600 um 600, a. d. an der, Abd. Abdankung, Abh. Abhängigkeit, -b˘g. -burg, Bf. Bischof, -bg. -berg, Bgf. Burggraf, Bm. Bistum, d. Ä. d. Ältere, d. Ju. d. Junge, d. Jü. d. Jüngere, dt. deutsch, Ebf. Erzbischof, Ebm. Erzbistum, Ehz. Erzherzog, Fsm. Fürstentum, Fst. Fürst, Gf. Graf, Gfn. Gräfin, Gft. Grafschaft, Ghz. Großherzog, Ghzn. Großherzogin, Hz. Herzog, hzgl. herzöglich, Hzm. Herzogtum, Kf. Kurfürst, Kfm. Kurfürstentum, Kg. König, kgl. königlich, Kgn. Königin, Kgr. Königreich, Ks. Kaiser, Kurw. Kurwürde, Lgf. Landgraf, Mgf. Markgraf, Mgft. Markgrafschaft, n. 992 nach 992, Nied. Nieder-, Ob. Ober-, P.U./PU Personalunion, Pfg. Pfalzgraf, Pr./Prz. Prinz, Prät. Prätendent, Przr. Prinzregent, Reg. Regent(in), Sign. Signore, Sn. Seigneur, Statth./Sth. Statthalter, Thronf. Thronfolger, Unt. Unter-, v. 1045 vor 1045, v. Tirol von Tirol (v. wird dabei oft weggelassen, Bsp.: Gf. Hoya Gf. v. Hoya)
Beschreibung
I) Die Mecklenburger zwischen Sachsen und Dänemark
Für die Familiengeschichte der Nakoniden spielte die Nähe ihres Landes Mecklenburg zum Stammeshzm. Sachsen und zum Kgr. Dänemark eine große Rolle.
Das Land bewohnten Slawen, vor allem die Abodriten. Sie wurden um 1100 geeint von dem eng mit ihnen verbundenen Haus der Nakoniden. Daraufhin hielt Hz. Heinrich d. Löwe es für geboten, den Fürsten Niklot I, Chef des Hauses, zu bekämpfen; doch 1167 zog er es vor, dessen Sohn Pribislaw zu belehnen, verweigerte ihm allerdings Schwerin, das Niklot bereits innegehabt hatte, und überließ die Grafschaft vielmehr der Familie Hagen, die sich in Schwerin bis 1358 festsetzte.
Pribislaw bezog als zentralen Sitz statt dessen die Burg Mecklenburg, und indem er sich um 1170 nach ihr nannte, wurde er zum Gründer der Dynastie.
Seinem Sohn Heinrich Bornim I trug der Sturz Heinrichs d. Löwen 1180 anstelle der sächsischen die dänische Oberherrschaft ein. Sie endete im Jahr der Schlacht v. Bornhöved 1227, aber ebenso Heinrich Bornims Leben.
Seine Enkel schritten zur ersten für Mecklenburg wichtigen Teilung.
1) Teilung 1229
Ihr verdankten sich drei neue Zweige: Rostock, Werle und Parchim, während Wismar, seit 1257 neuer Zentralsitz, den Hauptast bildete. 1281 kam der Zweig Güstrow hinzu: Nachdem Pribislaw I v. Parchim 1270 als Herr zu Wollin aufgetreten war, fiel Parchim samt Goldberg an Nikolaus I v. Werle, und so wurde Werle 1281 weiter aufgeteilt in Güstrow und Parchim.
Güstrow erlosch zwar 1339, erneuerte sich aber und rückte schließlich zum (nach Wismar) zweiten Hauptast auf: Als nämlich 1316 die Linie Werle-Parchim nach Goldberg umzog, setzte deren jüngerer Zweig Güstrow fort, und aus ihm zweigte 1347 zudem Waren ab; indem nun Werle-Goldberg 1374 und Werle-Waren 1425 endeten, war Werle-Güstrow wiedervereinigt.
Indessen war die zweite für Mecklenburg wichtige Teilung erfolgt:
2) Teilung 1352
1300 hatte Fürst Heinrich II das brandenburgische Lehen Stargard erheiratet, 1348 sein Sohn Albrecht II die mecklenburgische Lehnsabhängigkeit überwunden und gegen die Herzogswürde eingetauscht. 1352 übernahm dessen Bruder Johann I Stargard, 1358 er selber Schwerin, nachdem er die Familie Hagen vertrieben hatte: Schwerin wurde Zentralsitz und so aus der Linie Wismar die Linie Schwerin.
Das Prestige des Herzogtums war sehr gewachsen und machte sich alsbald in Form eines Ausflugs in die europäische Arena geltend; während nämlich nach Hz. Albrecht II 1379 sein Sohn Heinrich III die Hauptlinie Schwerin fortsetzte, war dessen jüngerer Bruder in die schwedische Politik verwickelt worden: Albrecht III trug von 1364 bis 1389 Schwedens Krone.
Dessen Sohn Albrecht V jedoch starb schon 1423 kinderlos, so daß kein schwedischer Zweig sich ausbildete. Zum ersten Mal seit 1227 befand das Haus sich unter Heinrich IV, einem Großneffen Heinrichs III, wieder in einer Hand, seit auch der Zweig Güstrow 1436 und der Zweig Stargard 1471 geendet hatten.
Dessen Besitz aber floß nach der dritten für Mecklenburg wichtigen Teilung in die neue Nebenlinie Strelitz ein.
3) Teilung 1668
Anläßlich des Abgangs (1695) des 1621 nochmals erneuerten Zweiges Güstrow entstand neben der (über den Zweig Grabow) erneuerten Hauptlinie Schwerin die zweitwichtigste Linie: Strelitz. Und zwar geschah dies 1701, indem zu Stargard außerdem Teile Ratzeburgs hinzukamen. Denn Hz. Adolf Friedrich I hatte das Fsm. Ratzeburg 1648 erhalten, als ihm Wismar an Schweden (bis 1803) verlorenging.
Indes liegen Stargard und Ratzeburg in entgegengesetzten Himmelsrichtungen. So kam es, daß man noch vor 150 Jahren den Staat Mecklenburg-Schwerin von Ost nach West durchqueren mußte, um von einem Teil des Staats Mecklenburg-Strelitz zum anderen zu gelangen.
Zu erwähnen sind noch Kgn. Luise v. Preußen, Tochter Ghz. Karls II v. Mecklenburg-Strelitz, die Kg. Friedrich Wilhelm III heiratete, und Kgn. Juliana v. Niederlande, Enkelin von Ghz. Friedrich Franz II v. Mecklenburg-Schwerin, deren Vater Heinrich Kgn. Wilhelmina geheiratet hatte (siehe auch 14.2).