Pommern
Abbildung 6.1 und 6.2

Abkürzungen: ~600 um 600, a. d. an der, Abd. Abdankung, Abh. Abhängigkeit, -b˘g. -burg, Bf. Bischof, -bg. -berg, Bgf. Burggraf, Bm. Bistum, d. Ä. d. Ältere, d. Ju. d. Junge, d. Jü. d. Jüngere, dt. deutsch, Ebf. Erzbischof, Ebm. Erzbistum, Ehz. Erzherzog, Fsm. Fürstentum, Fst. Fürst, Gf. Graf, Gfn. Gräfin, Gft. Grafschaft, Ghz. Großherzog, Ghzn. Großherzogin, Hz. Herzog, hzgl. herzöglich, Hzm. Herzogtum, Kf. Kurfürst, Kfm. Kurfürstentum, Kg. König, kgl. königlich, Kgn. Königin, Kgr. Königreich, Ks. Kaiser, Kurw. Kurwürde, Lgf. Landgraf, Mgf. Markgraf, Mgft. Markgrafschaft, n. 992 nach 992, Nied. Nieder-, Ob. Ober-, P.U./PU Personalunion, Pfg. Pfalzgraf, Pr./Prz. Prinz, Prät. Prätendent, Przr. Prinzregent, Reg. Regent(in), Sign. Signore, Sn. Seigneur, Statth./Sth. Statthalter, Thronf. Thronfolger, Unt. Unter-, v. 1045 vor 1045, v. Tirol von Tirol (v. wird dabei oft weggelassen, Bsp.: Gf. Hoya Gf. v. Hoya)
Beschreibung
I) Vergleich mit Schlesien
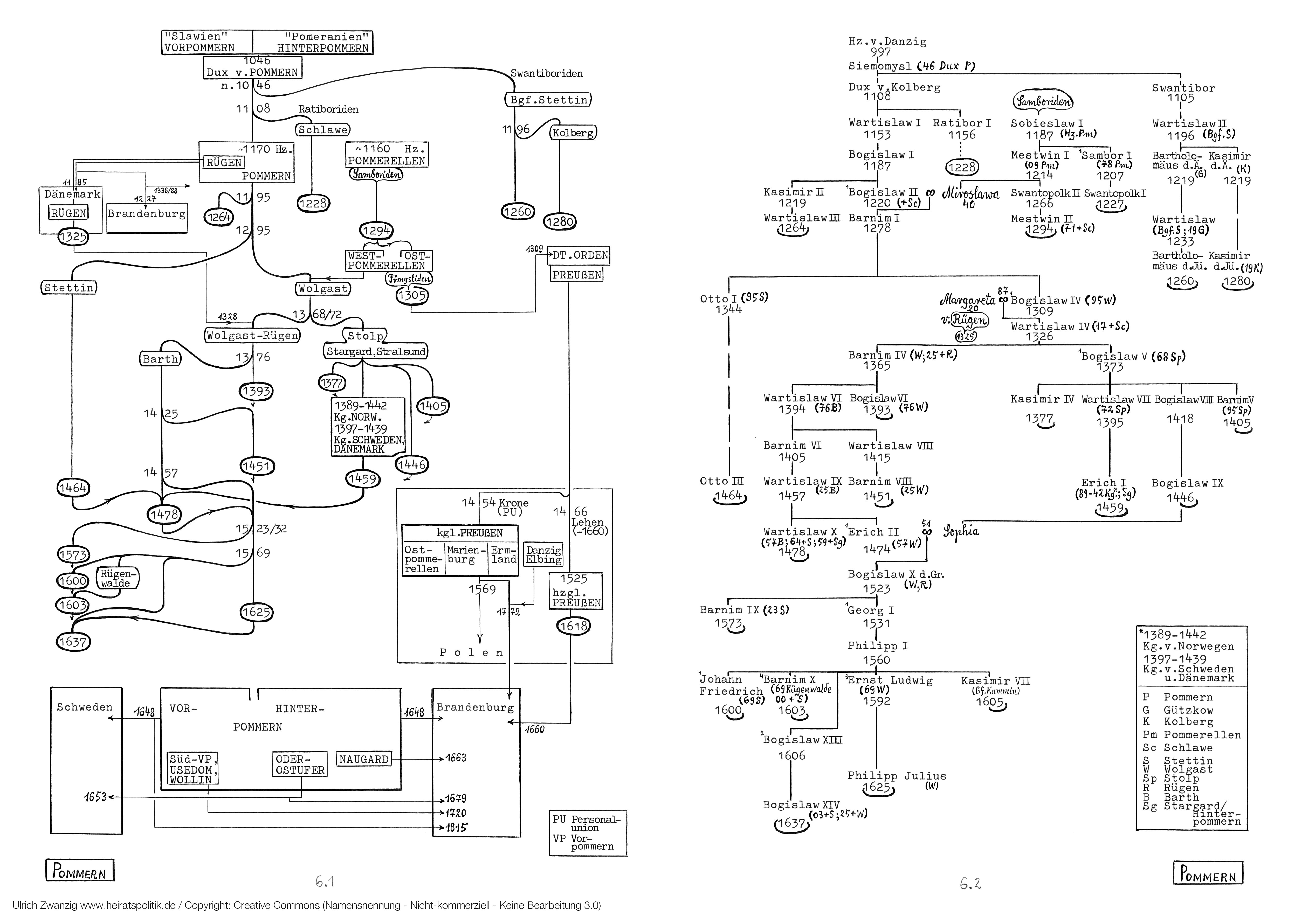
Unter dynastischem Aspekt stellte das pommersche Hzm. den Gegenpol zum schlesischen dar. Pommern war von mächtigen Nachbarn umgeben und von Beginn an zur Einigkeit und Selbständigkeit verurteilt. Darum erwies sich seine Identifikation mit dem eingesessenen Geschlecht der Greifen als so intensiv wie bei keiner der anderen 18 hier behandelten Territorialdynastien.
Für die Piasten war Schlesien das Objekt ihres Interesses an Versorgung einer expandierenden Zahl von Prinzen. Die Greifen dagegen waren die Pommern schlechthin, und nach ihrem Verschwinden 1637 hatte ihr Land nur die Aussicht aufs Provinzdasein.
Das Land mußte, um unabhängig zu bleiben, Herren unterstehen, die seine Einigkeit unnachgiebig gegen die begehrliche Umwelt durchzusetzen verstanden. Brandenburg war immer schon der übermächtige Nachbar gewesen, vor dem der weit entfernte Kaiser kaum Rückhalt bieten konnte; die Oberherrschaft Polens hatte man im frühen, die Dänemarks im späten Mittelalter abgeschüttelt (~1000 bzw. 1228), aber in der Neuzeit wurde Schwedens Gewicht erdrückend.
Die zäh durchgehaltene Teilung in Ober- und Niederschlesien seit 1248 bildete den Ausgangspunkt zur verläßlichen Zerstückelung Schlesiens. Mit ihr kann die Teilung Pommerns in Stettin und Wolgast, obwohl sie sich gleicherweise durch die Geschichte der Greifen zog, überhaupt nicht auf eine Stufe gestellt werden. Die geographisch konsequente, der schlesischen analoge Teilung wäre die zwischen Vor- und Hinterpommern gewesen. Sie geschah in der Tat, aber erst 1523.
Ohnehin hatte Pommern seit dem 12. Jh. in Stettin seinen Mittelpunkt, und die diversen Linienbildungen schmälerten nicht die Integrität des Landes oder den grundsätzlichen Willen seiner Herren, den Ansprüchen seiner Nachbarn entgegenzutreten.
Es gab drei wichtige Teilungen: 1295, 1368, 1523.
1) Teilung 1295
Nach dem Ableben Hz. Barnims I 1278 erhielt sei Sohn Otto I Stettin, dessen Bruder Bogislaw IV Wolgast. Doch damit einher ging die geographisch unsinnige Abtrennung des Umlands Stettins an Haff und Oder vom Küstengebiet.
2) Teilung 1368
Letzteres wurde denn auch verteilt unter die Enkel Wartislaws IV, nachdem ihm seine Mutter Margareta, Gattin Bogislaws IV, 1325 Rügen vermacht hatte, wo die lokalen Fürsten ausgestorben waren. So gab es nun Residenzen in Barth, Stolp, Stralsund und Stargard. Aus letzterem Zweig ging auch der Unionskönig Erich I (Kalmarer Union) hervor, der von 1389 bis 1442 Kg. v. Norwegen, von 1397 bis 1439 Kg. v. Schweden und Dänemark war. Nach dem Tod 1478 Wartislaws X, des letzten Barth, wurde Pommern wiedervereinigt.
3) Teilung 1523
1523 und nochmals 1569 trennte sich ein Ast Hinterpommern (Stettin) vom Ast Vorpommern (Wolgast), der mit Philipp Julius 1625 endete. Das war im Dreißigjährigen Krieg. Die Schweden besetzten Pommern. 1637 starben mit Bogislaw XIV die Greifen aus.
II) Pommerellen
Das Hzm. Pommerellen brachte Pommern indirekt in Kontakt mit dem Deutschen Orden in Preußen. Dessen Übergang nach Brandenburg übers Hzm. Preußen und Kgr. Preußen (Ostpommerellen, Marienburg, Ermland - dazu Danzig und Elbing) ist in 6.1 skizziert.
III) In eigener Sache
6.1 zeigt am Beispiel Rügens und Pommerns (vor 1325 bzw. nach 1637), wie mit Rechteck-Pfeil-Diagrammen partielle Territorialveränderungen sich übersichtlich darstellen lassen. Mit (räumlich bzw. zeitlich) partiellen Territorialveränderungen sind Besitzveränderungen gemeint, die Teilgebiete betreffen bzw. vorübergehend erfolgten.
In Geschichtsatlanten werden solche Veränderungen durch Farbabstufungen, unterschiedlich eingeklammerte Zahlen und dergl. wiedergegeben. Solche Darstellungen stoßen rasch an die Grenze der Übersichtlichkeit. Bei Rechteck-Pfeil-Diagrammen ist das nicht der Fall. Sie kann man beliebig ausdehnen und beliebig komplizieren, ohne daß sie unübersichtlich werden müssen.
(Zur Erklärung siehe auch den Abschnitt „Symbole“.)